量程范围覆盖0.5~10t
非线性 ±0.03% RO
输出灵敏度 2.0±1% mV/V(可选3.0±1% mV/V)
工作温度范围 -20~80℃
温度补偿范围 -10~60℃防护等级
IP67认证:符合RoHS(2011/65/EU)、CE(2014/35/EU)标准。
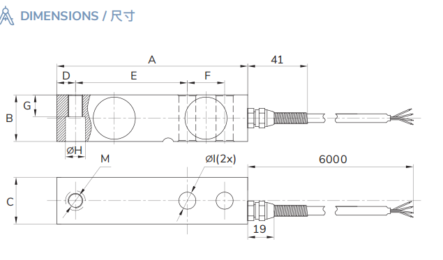
- 结构:采用悬臂梁(剪切梁)结构,一端固定、一端受力,通过弹性体的形变使应变片电阻变化,从而将重量信号转换为电信号。
- 材质:可选不锈钢或合金钢,不同量程对应不同尺寸规格(如0.5t~2.5t规格尺寸A为130mm,7.5t~10t规格尺寸A为225.5mm)。


自动化--吊车
